-
廖方才 袁 碧
(柳州钢铁股份有限公司炼铁厂)
摘 要 本文通过对高炉使用小套拉钩更换风口小套过程中的风险进行分析,分析对比小套拉钩改造前后的受力情况,提高作业过程中的安全性。
关键词 小套拉钩 焊接 受力 安全
1 前言
高炉风口小套是高炉进风系统的重要设备,是热风进入高炉的管道终端设备。由于风口小套所处的工作环境恶劣,很难保证长期正常工作,当风口小套损坏时,若不及时更换,会延误高炉送风,对高炉冶炼造成影响。更换风口小套过程中拆下的小套、吹管等体积较大,且有些高炉受现有施工场地的制约,无法为使用中小型液压设备和自动化器具提供相应的施工场地,更换高炉风口小套主要以小套拉钩这样的手工工器具为主。
2 事故案例分析
2019年2月24日某厂高炉车间在风口平台北面更换风口小套,在将小套拉钩固定到位拉出小套作业过程中,施工人员为了保持小套拉钩的平衡,双脚踩在小套拉钩的末端上面配合其他施工人员反复拉扯助力锤拉出风口小套,在助力锤拉到第4下时,小套拉钩末端突然发生断裂,助力锤瞬间脱离小套拉钩后撞到施工人员的左脚。经分析,是由于小套拉钩使用年限长,金属疲劳导致韧性降低,造成在更换风口小套作业过程中被拉断。

3 使用小套拉钩更换风口小套存在的问题
3.1 使用小套拉钩作业过程
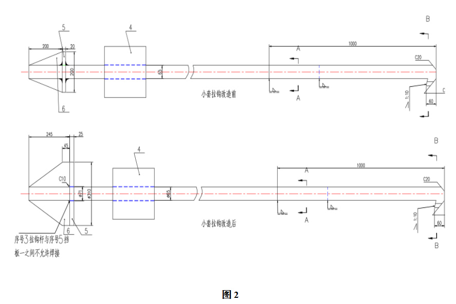
小套拉钩是拆卸风口小套的一种工具,它由 2块钩板、1块挡板、1块筋板、 2个拉环、1个助力锤、1 个拉钩杆组成。更换风口小套的施工工序是将小套拉钩平移进风口小套内,使小套拉钩前端的钩板卡住风口小套的前端,然后几名作业人员合力拉甩助力锤旁的两个拉环,助力锤反复撞击小套拉钩杆末端挡板,最终使风口小套松动拉出。
3.2 使用小套拉钩作业过程中的安全风险分析
在使用小套拉钩更换风口小套作业过程中存在以下几点安全风险:
3.2.1在使用小套拉钩更换风口小套作业过程,为了保持小套拉钩的平衡,作业人员会站立在拉钩的尾部,一不小心容易造成滑倒、跌伤。
3.2.2在使用小套拉钩更换风口小套作业过程,需众多作业人员配合,若在拉甩助力锤旁的两个拉环使助力锤撞击小套拉钩杆末端挡板的过程中配合不到位,助力锤突然向拉钩末端移动,此时助力锤容易打到手。
3.2.3在使用小套拉钩更换风口小套作业过程,众人合力使助力锤反复撞击小套拉钩杆末端挡板,由于小套拉钩末端焊接处长期使用后出现金属疲劳,则在撞击使用过程中容易发生断裂,助力锤掉落容易砸伤脚。
4 小套拉钩受力分析及改造方案
4.1 小套拉钩改造前受力分析
原风口小套拉钩的末端序号5挡板与序号3拉钩杆之间沿拉钩杆呈环状满焊(见图2),在助力锤反复撞击小套拉钩杆末端挡板致使小套松动脱出的过程中,主要受力部分为序号5挡板与序号3拉钩杆之间的焊接部分,若在焊接过程出现瑕疵(如裂缝)或者长期使用后出现金属疲劳,则在撞击使用过程中容易发生断裂的现象。
4.2 小套拉钩改造后受力分析
改造后的小套拉钩末端序号5挡板与序号3拉钩杆之间是不允许焊接的(见图2),在助力锤反复撞击小套拉钩杆末端挡板致使小套松动脱出的过程中,其主要受力部分为序号6筋板部分,受力呈纵向分布,在长期的撞击使用过程中不容易发生断裂的现象。

5 结语
小套拉钩经过一定的改造后,其在更换风口小套作业过程挡板的受力部分发生变化,增强了挡板的抗金属疲劳性,提高了高炉炉前更换风口小套作业的安全系数。同时也体现了职工安全意识的提高,不放过任何一个安全隐患,共同营造安全的生产环境。
(责任编辑:zgltw)







