-
庞国朝 徐俊杰 耿敬涛 张化明
(邯郸钢铁集团炼铁部)
摘 要 针对新建和搬迁利旧链篦机-回转窑球团生产线的回转窑所使用的燃料,本着设备利旧节约投资、搬迁投产后运行成本低的原则,对焙烧系统燃料使用进行了优化分析,认为焦炉煤气+高炉煤气混合为最优燃料方案。
关键词 搬迁 燃料 成本 对比
1 引言
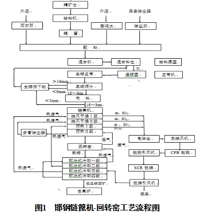
随着目前钢铁行业淘汰落后产能的力度加大,越来越多的钢铁厂异地新建或是整体搬迁。针对整体搬迁项目如何实现设备利旧减少投资、优化工艺降低运行成本成为目前钢铁企业一项重要的课题。邯钢老区退城整合项目包括球团生产线,目前球团生产线为链篦机-回转窑,其工艺流程包括精矿配料、高压辊磨、膨润土与灰尘配、混合、造球、生球布料、生球干燥及预热、氧化焙烧、烟气净化、却及成品贮存与成品输出等,流程图见图1。目前链篦机-回转窑球团生产产线燃料主要使用在干燥预热系统(链箅机、热风管道、辅助烧嘴)、焙烧系统(回转窑、主烧嘴)和球团烟气处理脱硝系统。针对球团生产线搬迁,本着设备利旧节约投资、搬迁投产后运行成本低的原则,对焙烧系统燃料使用进行了优化。从投资费用、存在问题、运行成本、原料的适应性等进行综合对比,选择一种适合本厂焙烧系统燃料方式。

2 焙烧系统燃料方案
邯钢老区退城整合项目分两期工程进行,搬迁后新区球团属于后建工程,建好投产可用燃料包括气态燃料焦炉煤气、高炉煤气和固态喷吹煤粉。
2.1 焙烧工艺
球团矿的焙烧、固结过程在回转窑中完成。经过链箅机预热后的球团通过铲料板和给料溜槽给入回转窑中,并随回转窑沿周边翻滚的同时,沿轴向向窑头移动。在窑头装有专门设计的双调节伸缩式煤气烧嘴,通过调节空气-煤气比例来调节火焰长度,控制煤气量。同时环冷机第一冷却段近1030℃热废气引入窑头罩内,作为二次风,保证窑内所需焙烧温度。球团矿在回转窑内主要受热辐射作用,边滚边焙烧,从而得到均匀焙烧。球团焙烧温度1200~1300℃。焙烧时间为25~35min。
2.2 目前燃料现状
目前邯钢老区球团链箅机辅助烧嘴和回转窑主烧嘴使用的燃料均为焦炉生产的焦炉煤气,后者使用量为8000m3/h。
2.3 燃料方案
新区球团链箅机辅助烧嘴采用焦炉煤气做为燃料保持不变,而回转窑主烧嘴可采用的燃料方案有三种:
(1)方案1:维持邯钢老区球团主烧燃料现状不变,仍采用焦炉煤气,用量8000m3/h;
(2)方案2:回转窑主烧燃料采用喷吹煤粉(从高炉磨煤系统引入)。点火燃料采用焦炉煤气,开机烘炉时使用小量焦炉煤气,焦炉煤气用量2000m3/h;
(3)方案3:回转窑主烧燃料采用高炉煤气和焦炉煤气混合煤气,按比例1:1进行混合,按通道分别进相应烧嘴,不需设置混合站,高炉煤气用量5000~10000m3/h,焦炉煤气用量5000m3/h。
3 燃料方案分析对比
3.1 设备利旧对比
(1)使用全焦炉煤气
助燃风机、燃烧器、管道各种阀、流量计可全部利旧,节省投资。
(2)使用喷吹煤粉+焦炉煤气
磨煤系统设备、输煤系统设备、转子秤利旧替代、链箅机辅助烧嘴系统设备可利旧。
需要新增设备投资:煤粉仓一个237万元、煤粉燃烧器1个60万元、助燃风设备2套20万元、煤粉风机2套30万元,共计347万元。
(3)使用焦炉煤气和高炉煤气
管道各种阀、流量计可利旧,链箅机辅助烧嘴系统设备可利旧,节省投资。
除利旧设备外其他需要新增投资:助燃风机2套20万元、燃烧器一套60万元、加压机一台15万元,共计95万元。
可以看出在原燃料方案不需要额外增加投资,更改燃料种类混合焦炉煤气和高炉煤气方案较使用喷吹煤粉作为的燃料需增加投资低。
3.2 不同方案优缺点分析
使用不同的燃料方案都可以达到配烧球团矿的目的,但是结合邯钢和国内其他钢厂使用情况,不同燃料焙烧球团,对设备、生产等造成的影响进行分析,如下:
(1)使用全焦炉气
在回转窑中使用单焦炉煤气结圈的问题容易控制,但是会给球团生产的烟气处理带来困难,主要是烟气中氮氧化物含量很高,处理起来较为困难,增加烟气脱硝成本。比如邯钢,环保压力大,同时生产成本高,不符合目前形势。
(2)使用煤粉和焦炉气
在回转窑中使用喷吹煤粉+焦炉煤气造成结圈情况难以控制;
由于高炉和球团煤粉粒度不同,磨煤生产组织难度加大,对储煤仓的容量和安全性要求较高。
此种方案烟气氮氧化物含量较低,处理较为容易,脱硝成本低;同时烟气排放氮氧化物大大降低,可以满足环保要求同时也可达到超低排放标准。
(3)使用焦炉煤气+高炉煤气的混合气
在回转窑中使用焦炉煤气+高炉煤气的混合气造成结圈情况容易控制;
此种方案烟气氮氧化物含量较低,处理较为容易,脱硝成本低;同时烟气排放氮氧化物大大降低,可以满足环保要求同时也可达到超低排放标准。
可以看出在结圈控制、氮氧化物控制方面单烧焦炉气方案均不如其他两种方案,但是综合来看焦炉煤气+高炉煤气方案其他的两种方案。
3.3 运行成本分析
(1)窑头燃烧器寿命
煤气燃烧器因为磨损较小,一般整体寿命在5年左右,年均成本12万元。
煤粉燃烧器因为磨损较大,一般整体寿命在3年左右,期间需要每12个月更换一次烧嘴头部装置,年均成本30万元。
使用煤粉燃烧器,相比使用纯煤气燃烧器而言,年均增加成本30-12=18万元。
(2)能耗成本
按6000m³/h焦炉煤气计算,当前价格0.49元/m3
焦炉气小时成本:6000×0.49=2940元
6000m3/h焦炉煤气按热量折算煤粉使用量约
6000×0.5714×1.1÷1000=3.77吨
煤粉价格按780元/吨,磨煤成本、输煤成本以及喷煤增加的风机电耗按95元/吨,
煤粉小时成本:3.77×(780+95)=3298.75元
按照混合煤气(1:1)方案,焦炉煤气用量5000m3/h、价格0.49元/m3,高炉煤气用量5000m3/h、价格0.064元/m3,
混合煤气小时成本:5000×0.49+5000×0.064=2770元
三种方案的小时成本分别是:焦炉气2940元,煤粉3298.75元,混合气2770元,混合气方案使用成本最低。
(3)节约氨水成本
使用煤粉和混合煤气后,烟气氮氧化物会降低很多,喷氨量降低300kg/h,相比纯焦炉煤气,
年节约成本:0.3×24×330×1180=373.82万元
3.4 原料适应性对比
对于普通磁铁矿酸性球团矿生产,三种方案均可满足生产需求。
对于高比例红矿球团和自熔性球团的生产,由于对窑中温度的需求较高,对窑中高温区的分布区间有特殊要求,全焦炉煤气适应性较差,煤粉次之,混合煤气适应性最强。
对于高比例红矿球团和自熔性球团的生产,若使用全焦炉煤气,氮氧化物将会超出目前的SCR脱硝设备脱硝能力,将会严重影响球团线的产量水平。煤粉和混合煤气则不会出现此种情况。
综合上述分析回转窑使用不同的燃料,对比见表1所示。对于钢铁企业搬迁球团产线来说,从设备利旧投资、成本、原料适应性分析,笔者认为方案一在目前环保形势下不建议采用,方案二和方案三对比主要考虑目前配吃红矿,适应原料变化较强,笔者认为针对链篦机-回转窑球团产线建议采用第三种方案。

4 结论
针对新建和搬迁利旧链篦机-回转窑球团生产产线回转窑所使用的燃料,从环保、投资和运行方面分析,采用焦炉煤气+高炉煤气混合方式作为燃料为最优方案,采用喷吹煤粉作为燃料方式次之;考虑灵活生产组织、环保形势,结合将来红矿和自熔性球团的生产谋划,不考虑单烧焦炉煤气做为燃料方案。
(责任编辑:zgltw)







