-
摘 要 溜槽检修门位于高炉煤气封罩,用于更换布料溜槽。针对以往高炉炉顶溜槽检修门在高炉生产中出现的设备变形、煤气泄漏、检修不方便等问题,通过优化设备壁厚、改变密封型式和螺栓孔型式等设计,解决了这些问题,取得了很好的效果。
关键词 溜槽 优化
Steel Rizhao Iron and Steel Plant 5100m3 blast furnace roof Optimization Design of Chute Access Door
GERongxiao CHEN Bingting LIUYang LIQingyang ZHAOShuang WANGXiaofeng
(SHANDONG PROVINCE METALLURGICAL ENGINEERING CO.,LTD)
AbstractAiming at the problems of equipment deformation, gas leakage and inconvenient maintenance during the production of the overhaul door of the blast furnace top chute, these problems are solved by optimizing the equipment wall thickness, changing the design of seal type and bolt hole type, effect.
Key wordsChuteoptimized
1 前言
山钢日照公司炼铁厂5100m3高炉溜槽检修门是更换布料溜槽的重要设备,针对炉顶溜槽检修门在使用的过程中存在的一些不足,对比各种设计存在的优缺点,大胆创新,炉顶溜槽检修门位于高炉煤气封罩段,用于更换布料溜槽,面积大,工况恶劣,安装使用过程中很容易变形,发生煤气泄漏事故;为在在检修的过程当中能够顺利的开启,对设计制作安装的要求很高。为保证高炉长寿稳定运行,对溜槽定期检修就显得至关重要,溜槽检修门的质量是保证顺利完成检修任务的必要条件。
2 溜槽检修门概况
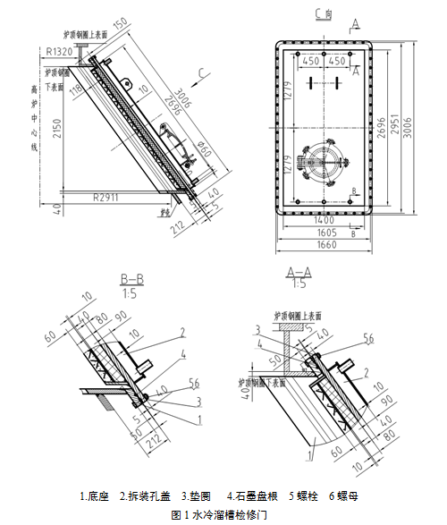
炉顶溜槽检修门位于高炉煤气封罩段,主要由门框、门盖、上下法兰和垫片组成,门框焊接在煤气封罩上,门框和门盖通过上下法兰由螺栓固定连接在一起,煤气封罩开孔3780mmx1940mm,上下法兰平面面积4542x2220/3858x1610,法兰之间有密封垫片。正常工作温度150℃~250℃,最高工作温度550℃,满足多次检修开启应用,并设置φ600的人孔;按长寿型高炉设计考虑。
3 设备的主要特点
流槽检修门分有水冷和无水冷两种形式。炉顶处煤气温度高,工况恶劣,耐材材质不过关以及容易脱落,会造成溜槽检修门变形严重,影响使用,为了解决这个问题,溜槽检修门采用水冷形式,但是这样会造成溜槽检修门结构复杂,使用不方便,同时还有安全隐患。见图1。
随着操作水平和耐材质量的提高,无水冷溜槽检修门逐步的在大型高炉上推广应用。山钢日照钢铁厂1#5100m3高炉定位为大型长寿高炉,设计选用无水冷形式溜槽检修门。

4溜槽检修门制作标准和要求
无水冷形式溜槽检修门的标准主要包括下面:
(1)材质化学成分及机械性能检验要求;
(2)尺寸公差、形位公差和其它尺寸要求;
(3)安装螺栓孔中心距偏差;
(4)焊接要求,重要焊缝要求探伤;
(5)安装顺序。
5 上下法兰连接螺栓强度计算
山钢日照公司炼铁厂5100m3高炉炉顶压力设计参数为0.28MPa,最大为0.3MPa,按最大压力和法兰最大面积计算,溜槽检修门受到的压力为G=3024972N,门框和门盖通过74个M42螺栓连接,载荷固定在煤气封罩上,单个螺栓载荷G1=3024972/74=40878N。
预选螺栓按Q235号钢材质,σs=235 N/mm2,【σ】=σs/Sa
式中:σs-屈服极限,N/mm2;
【σ】-许用应力,N/mm2;
Sa-连接螺栓的安全因数,2.5~5
那么【σ】=47~94 N/mm2。
螺栓螺纹部分设计公式d1≥【4F/(π【σ】)】1/2=(4*40878/(3.14*47))1/2=33.3mm,设计选用d1=38mm,选择M42螺纹。
验证:σ=G总/F,N/mm2
式中,F-所有螺栓危险剖面的面积nπd12/4,n是螺栓数量。
σ=3024972/(74x3.14x382/4)=36.1 N/mm2≤【σ】
经计算螺栓联结强度安全可靠。
6 安装使用中存在的问题及优化设计
6.1 以前的设计在安装使用过程中,炉顶溜槽检修门主要存在以下问题
(1) 安装焊接时容易变形,使得后续安装困难;使用过程中变形严重,造成密封不严,煤气泄露;
(2) 安装时由于门框和顶圈距离偏小,螺栓安装不方便;
(3) 安装时,特别是返修后安装时,盘根安装困难。
开始设计见图2。

6.2 针对存在问题,进行如下优化设计
(1)增加部件壁厚,特别是上下法兰壁厚;
(2)将密封盘根改为金属包覆式垫片;
(3)法兰螺栓孔部分设计为开孔式;
(4)门盖设计有加强板,门框和下法兰与炉壳之间添加加强板。
优化后设计见图3。

7 结语
山钢日照公司炼铁厂1#5100m3高炉溜槽检修门已经安装完毕,安装过程顺利,高炉已投入使用,使用过程中冷却效果良好,形变小,为以后这方面的设计进行优化提供了经验。
8 参考文献
[1]炼铁工艺计算手册[M],鞍钢炼铁厂,编北京:冶金工业出版社,1973,74-108.
[2]张福明.党玉华.我国大型高炉长寿技术发展现状[J].钢铁,2004,5(10):75-78.
[3]贾艳.李文兴.高炉连体基础知识[M],北京:冶金工业出版社,2005.3,178-235.
[4]李马可.日本高炉冶炼技术的发展,炼铁文集,1984.23.
[5]宋木森.邹祖桥.于仲杰.我国高炉耐火材料发展现状[M],湖北:武汉钢铁集团公司技术中心,2005,15(9):7-12.
[6](荷)R.var.高炉炉缸的安全和长寿管理[J].2003,6(10):34-38.
[7]S. Tamura et al: Am. Ceram. Soc. Bull, 1986, 65, 1065-1072.
[8]徐国涛.马道贵.杜鹤桂.高炉耐火材料的致密结构与性能问题分析[J],技术简报2003,7(9):13-14.
[9]Equipment and Manufacture of Modern Blast Furnace China Metallurgical Equipment the Metallurgical Industry 1996.
[10]R.V.Williams.Controland Analysis in Iron and Steelmaking,Eutterworth Soientific Itd(D):1983(4),24-25.
(责任编辑:zgltw)







