-
根据《工业和信息化部关于印发钢铁行业产能置换实施办法的通知》(工信部原〔2021〕46号)要求,现将衢州元立金属制品有限公司年产345万吨优特钢升级改造项目产能置换方案予以公示,公示时间为2022年5月23日至6月21日,欢迎社会公众进行监督。联系电话:0571-8705139、87058229。 浙江省经济和信息化厅 2021年5月23日 
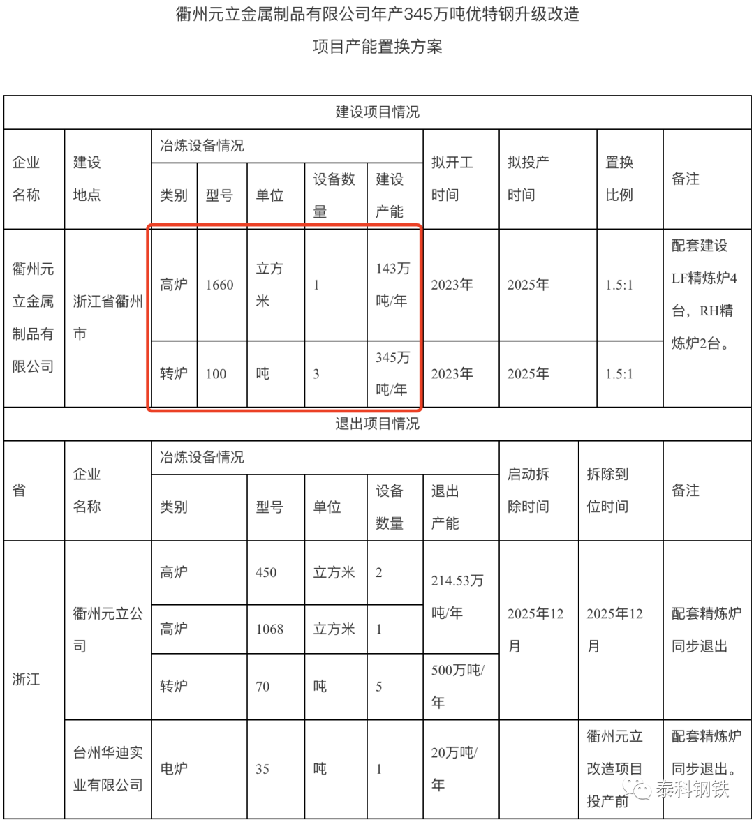
注:衢州元立金属制品有限公司现有450立方米高炉2座、1068立方米高炉1座、1080立方米高炉2座,70吨转炉5座,备案炼铁、炼钢产能分别为450万吨和500万吨。 本次改造项目内容为:退出450立方米高炉2座、1068立方米高炉1座,相应退出炼铁产能214.53万吨,建设1660立方米高炉1座,建设产能为143万吨;退出70吨转炉5座,相应退出炼钢产能500万吨,另已受让20万吨炼钢产能(出让公告网址:http://jxj.zjtz.gov.cn/art/2021/12/31/art_1229044606_3768205.html),其中18万吨用于本次产能置换(剩余2万吨由企业自行支配),合计退出炼钢产能518万吨,建设100吨转炉3座,建设产能345万吨。
(责任编辑:zgltw)







